Proyectos Eléctricos
Estudios eléctricos en media y baja tensión realizados con precisión.


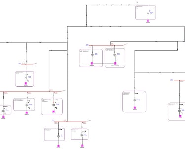
Estudios de Arco Eléctrico
Realizamos estudios de arco eléctrico para garantizar la seguridad y eficiencia en instalaciones eléctricas, minimizando riesgos y optimizando el rendimiento de los sistemas eléctricos.


Flujo de Carga
Analizamos el flujo de carga para asegurar la correcta distribución de energía en sus instalaciones, optimizando el rendimiento y la estabilidad del sistema eléctrico.
Proyectos Eléctricos
Estudios eléctricos en media y baja tensión, energías renovables.








Servicios
Estudios y servicios de ingeniería eléctrica en media y baja tensión.
Contacto
Soporte
+51 926876088
© 2025. All rights reserved.
